山東萬象環境科技有限公司
聯系人:周經理
銷售電話:19853697985
銷售QQ:3836021633
公司地址:山東省濰坊高新區新城街道玉清社區光電路155號濰坊高新區光電產業加速器(一期)1號樓301

聯系人:周經理
銷售電話:19853697985
銷售QQ:3836021633
公司地址:山東省濰坊高新區新城街道玉清社區光電路155號濰坊高新區光電產業加速器(一期)1號樓301

一、漂浮式水質自動監測站產品簡介
漂浮式水質自動監測站又稱水質浮標站,漂浮水質監測站,漂浮式水質自動監測站采用360°圓形平臺,水下搭載營養鹽、ADCP和多數水質傳感器,水上可安裝多參數氣象、GPRS通信等系統,能夠實時監測水環境中水質的情況,為水環境保護提供有效監測
1.水質浮漂監測站SFA集數據采集、存儲、傳輸和管理于一體的無人值守的采集系統。它在工農業生產、旅游、城市環境監測、地質災害、防洪、供水調度、電站水庫水情管理等為目的水文自動測報系統;功能強大的上位機軟件可遠程觀測實時水雨情信息,具有數據庫、報表、下載等功能,用戶還可利用該功能完善的氣象軟件對記錄的數據作進一步的處理分析。
2.SFA06款浮標是由水質傳感器(水溫、電導率、PH、溶解氧、氨氮、濁度)、數據采集儀、通訊系統、供電系統、整體 支架、水質監測平臺六部分組成。同時可擴展COD、葉綠素、懸浮物等多項水質要素。數據采集儀具有數 據采集、實時時鐘、數據定時存儲、參數設定和標準2G/4G(GPRS)通信功能。
二、漂浮式水質自動監測站產品特點
1.易部署:各類型探頭進行高度集成,安裝方便;提供免費云平臺服務,系統快速上線;
2.易維護:設備安裝后,自行工作即可,無需人工值守,也可以通過遠程監控的方式保障設備的正常運行;
3.易擴展:傳感器探頭均使用統一的通信協議,可以快速對接原設備,快速擴展監測參數;
4.低功耗:設備可以實現低功耗狀態下,長時間運行,增加設備使用的便利性;
5.實時性:設備監測到的數據實時傳輸至云平臺,提升環境數據反饋的及時性。
三、技術參數
1. 主體參數
| 產品名稱 | 描述 |
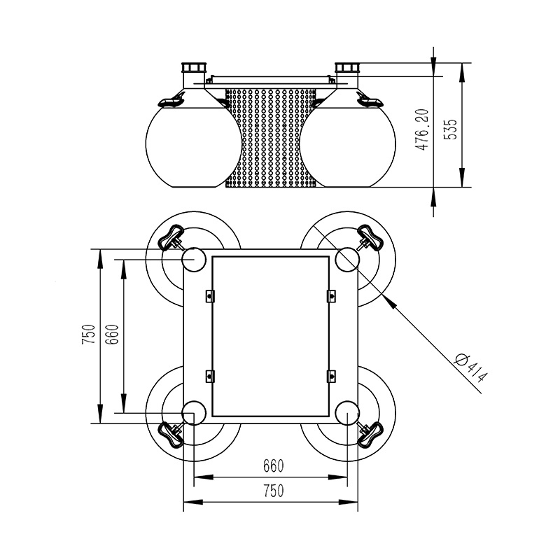
| 環境水質監測浮標 | 可實時實現多路參數在線監測??蓪崿F電池電量監控??蓪崿F云平臺數據監控、數據推送、數據的存儲和報警功能;數據的無線發射功能。峰值功耗為 5W;傳感器功耗 0.25W左右/只。外形尺寸:750mm*750mm*535mm。浮球直徑414mm重量:22kg |
| 采集器數據采集 | 運行可靠,抗干擾,可集成多路RS485/MODBUS-RTU從站設備 |
| 采集器數據輸出 | 1 路 Rs485/JSON協議輸出 |
| 電池 | 鋰電池 12VDC,20AH(默認) |
| 太陽能電池板 | 22.1V/50W(默認) |
| 供電能力 | 定制選型;陰雨天間歇工作 5天以上 |
| 位置指示(選配) | 警示燈;GPS 定位; |
| 監測平臺 | 云平臺;手機/電腦多終端登錄 |
| 防護罩 | 304 不銹鋼濾筒防護罩 |
| 浮體 | 直徑414mm 球形浮體*4工程塑料 |
2.可選配傳感器的主要參數
| 序號 | 名稱 | 測量范圍 | 測量原理 | 測量精度 | 是否標配 | 備注 |
| 1 | 溫度 | 0~50℃ | 高精度數字傳感器 | ±0.3℃ | ? | |
| 2 | pH | 0~14(ph) | 電化學(鹽橋) | ± 0.1PH | ? | |
| 3 | ORP | -1500mv~1500mv | 電化學(鹽橋) | ± 6mv | ||
| 4 | 電導率 | 0~5000uS/cm | 接觸式電極法 | ± 1.5% | ? | |
| 5 | 濁度 | 0~40NTU(低濁) | 散射光法 | ± 1% | 低濁可定制 | |
| 0~1000NTU(中濁) | 散射光法 | ± 1% | 中濁可定制 | |||
| 0~3000NTU(高濁) | 散射光法 | ± 1% | ? | 默認發 | ||
| 6 | 溶解氧 | 0~20mg/L | 熒光壽命法 | ± 2% | ? | |
| 7 | 氨氮 | 0-1000.00mg/L(默認) 0-100.00mg/l/(可定制) | 離子選擇電極法 | 讀數的10%, ±0.5℃ | ? | |
| 8 | cod | 0~500mg/ L | UV254 吸收法 | ±5% | 默認發、cod濁度一體;帶有自動清潔器,可防止生物附著,避免光窗污染,以保證長期監測依然具有穩定性;可設置自動清潔時間及清潔次數,功耗0.7W | |
| 濁度 | 0~400NTU | 散射光法 | ± 1% | |||
| 9 | 懸浮物 | 0~2000mg/L | 散射光法 | ±5%(取決于污泥同質性) | ||
| 10 | 葉綠素 | 0~400ug/L | 熒光法 | R2>0.999 | 帶有自動清潔器,可防止生物附著,避免光窗污染,以保證長期監測依然具有穩定性;可設置自動清潔時間及清潔次數,功耗0.7W |
四、產品尺寸圖

五、設備安裝要求
1.遠離大功率無線電發射源
2.遠離高壓輸電線和微波無線電傳送通道
3.盡量靠近數據傳輸網絡
4.遠離強電磁干擾
六、云平臺介紹
1.CS架構軟件平臺,支持手機、PC瀏覽器直接觀測.無需額外安裝軟件。
2.支持多帳號、多設備登錄
3.支持實時數據展示與歷史數據展示儀表板
4.云服務器.云數據存儲,穩定可靠,易于擴展,負載均衡。
5.支持短信報警及閾值設置
6.支持地圖顯示、查看設備信息。
7.支持數據曲線分析
8.支持數據導出表格形式
9.支持數據轉發,HJ-212協議,TCP轉發,http協議等。
10.支持數據后處理功能
11.支持外置運行javascript腳本
WX-QSZ03水質pH電導率在線監測系統集成了高精度傳感器、數據采集單元、數據處理系統以及遠程通訊單元,能夠實現對水體pH值、溫度、濁度、電導率、溶解氧、COD(化學需氧量)、氨氮、懸浮物、總氮等關鍵參數的實時、連續監測。這一系統通過在線監測的方式,能夠實時反映水體的質量狀況,為水質管理提供了有力的技術支持。...
WX-SS5手持式氨氮檢測儀是一種專為現場水質監測設計的便攜式設備。它體積小巧、重量輕,便于攜帶至各種監測現場。該儀器采用先進的檢測技術,能夠快速、準確地測定水樣中的氨氮含量,為水質評估和管理提供關鍵數據支持。其顯著特點之一在于操作簡便。用戶無需具備復雜的專業知識,即可通過簡單的操作完成水質監測任務。此外,手持式氨氮檢測儀還具有響應速度快、測量精度高等優點,能夠在短時間內提供準確可靠的監測結果。...
在這樣的背景下,WX-S8溶解氧傳感器應運而生。它就像是一位智能哨兵,時刻監測著水環境中溶解氧的變化。通過電化學法、光學法等多種技術手段,溶解氧傳感器能夠準確、快速地測量出水體中溶解氧的含量,為水質監測提供了強有力的技術支撐。溶解氧傳感器的技術原理主要基于氧分子的電化學或光學特性。以電化學法為例,當傳感器浸入水中時,水中的溶解氧會通過擴散作用進入傳感器的敏感元件,與電極上的還原劑發生反應,產生電流。...
萬象環境投入自主研發生產多參數水質傳感器,主要監測要素有PH、溶解氧、濁度、溫度、電導率,可選配ORP、余氯、氨氮離子、鉀離子、鈉離子、鎂離子、鈣離子、銨離子、亞硝酸根、硝酸根等要素,WX-ZS5型多參數水質傳感器對當前水質各要素監測值進行實時顯示。WX-ZS5型多參數水質傳感器主要有以下功能:&nb...
WX-QSZ07在線多參數水質監測系統是一種能夠實時監測水體中多種參數的自動化系統。這些參數包括但不限于PH、溫度、濁度、電導率、溶解氧、COD、氨氮、懸浮物等,這些指標是衡量水質狀況的重要依據。系統通過集成多種傳感器,利用不同的物理或化學原理,能夠同時測量多種水質指標,從而提供全面的水質數據。...
WX-GSZ05排水管網水質監測系統是一種集成了多種先進技術于一體的智能化監測設備。它主要部署在排水管網的關鍵節點,如污水處理廠入口、工業排放口以及管網交匯處等,通過實時監測管網中的水質狀況,為城市水環境管理提供科學、準確的數據支持。該系統的核心在于其高度集成的監測單元。這些監測單元能夠實時感知管網中的水質參數,包括但不限于溫度、電導率、PH、溶解氧、氨氮等。...